Kleiner Krümel ganz groß
August 2009
Wenn man davon spricht, dass prähistorische und historische Objekte Dokumentcharakter haben, so meint man damit, dass sie viele Informationen enthalten. Im Gegensatz zu schriftlichen Dokumenten, deren Inhalt man durch Lesen erschließen kann, ist das bei Objekten nicht immer so einfach. Sind sie gut und vollständig überliefert, kann man in der Regel durch Form und Material ohne großen Aufwand schon wesentliche Informationen ableiten.
Aber auch kleine Reste haben es in sich. Bedient man sich der Hilfe naturwissenschaftlicher Methoden und instrumenteller Analytik können aus unscheinbaren Krümeln wichtige Informationen gewonnen werden. Dies ist zum Beispiel bei der Untersuchung von Holzresten der Fall. Hier reicht meist schon ein Splitter mit wenigen Millimeter Kantenlänge, um die Holzart zu bestimmen. Dabei ist die Betrachtung in drei Richtungen zur Baumstruktur üblich: quer zur Wuchsrichtung (Querschnitt), längs zur Wuchsrichtung (Tangentialschnitt) und längs zur Wuchsrichtung durch den Baummittelpunkt (Radialschnitt).
Reicht für eine Querschnittbetrachtung eine Vergrößerung von 30 bis 50fach, die man ohne weiteres mit einem Auflichtmikroskop erreicht, so benötigt man für eine genaue Betrachtung des Tangential- und Radialschnitts Vergrößerungen von 100fach und mehr. Für solche Untersuchungen eignet sich ein Durchlichtmikroskop besser. Im Normalfall fertigt man deshalb für die Holzartbestimmung Präparate für die Durchlichtmikroskopie an.
Der vorliegende Fall weicht aber vom Normalfall ab, da es sich bei der zu untersuchenden Probe um einen mineralisierten Holzrest handelt. Die Probe wurde vom Griff des Schwertes Rudolf II von Askanien, Kurfürst von Sachsen-Wittenberg (gestorben 1370), genommen, dessen Bestattung kürzlich in Wittenberg gefunden wurde (siehe Fund des Monats September 2009).
Eine Mineralisierung von Holz erfolgt im Boden oft, wenn Eisen in unmittelbarer Nachbarschaft zum Holz lagert. Stark vereinfacht gesagt, kann man sich den Mineralisierungsvorgang wie folgt vorstellen: Durch Korrosionsprozesse geht das Eisen im Boden in Lösung und durchtränkt das Holz, wobei es an den Zellwänden wieder als Salz ausfällt. Das eigentliche Holz wird zersetzt und übrig bleibt die Holzstruktur als Eisenkorrosion. Solche Holzmineralisierungen sind sehr spröde und leicht zerbrechlich, so dass man von ihnen kein Durchlichtpräparat anfertigen kann. Man kann lediglich die zufällig entstandenen Bruchflächen der Probe nach artcharakteristischen Merkmalen absuchen.
Betrachten wir zuerst den Querbruch (Abbildung 1).
Neben den Gefäßporen sieht man im Querbruch waagerecht verlaufende Jahrringe und senkrecht verlaufende Holzstrahlen. Wichtigstes Baumartcharakteristikum ist hier die Anordnung der Poren. Die Aufnahme des Querbruchs im Auflichtmikroskop zeigt zwischen den Jahrringen eine gleichmäßige Verteilung der Poren. Als erstes kann man somit sagen, es handelt sich bei der Probe um ein zerstreutporiges Laubholz. Dies sagt allerdings noch nicht allzu viel aus, da die meisten Laubgehölze zerstreutporig sind.
Die weitere Untersuchung der Holzmineralisierung gestaltet sich bei dem Einsatz herkömmlicher Hilfsmittel als schwierig. Wie bei der Auflichtmikroskopaufnahme schon zu sehen ist, wirkt sich die Unregelmäßigkeit des Bruchs nachteilig auf die Schärfe der Abbildung aus. Ein Effekt, der sich bei höheren Vergrößerungen noch nachteiliger auswirkt. Eine vernünftige Dokumentation von Tangential- und Radialbruch ist so nicht möglich. Eine gute Alternative für diesen Zweck bietet das Elektronenrastermikroskop (REM) (Abbildung 2).
Hier können die Brüche in hohen Vergrößerungen und mit einem größeren Schärfenbereich abgebildet werden. Im atmosphärischen Elektronenrastermikroskop ist auch keine weitere Probenvorbereitung notwendig – man muss lediglich die Probe auf einen Aluminiumprobenhalter mit Kohlenstoffklebefolie heften (Abbildung 3).
Bei der Betrachtung des Tangentialbruchs geht es in erster Linie um die Beobachtung der Holz- oder Markstrahlen, deren Breite und Höhe für die Artbestimmung wichtig ist. Die Probe hat vergleichsweise große Holzstrahlen, die sich im Tangentialbruch als linsenförmige Einschlüsse zeigen (Abbildung 4).
Beim Radialbruch betrachtet man eigentlich die Form der Holzstrahlzellen, was aber im vorliegenden Fall aufgrund des mineralisieren Zustandes der Probe nicht möglich ist (Abbildung 5).
Auffällig sind dagegen die vielen warzenartigen Punkte entlang der Gefäßstränge. Dabei handelt es sich um Tüpfel – kleine membranverschlossene Fenster, durch die ein Flüssigkeitsaustausch zwischen den verschiedenen Zellsystemen möglich war.
Daneben sieht man im Radialbruch Gefäßübergänge, deren Form wiederum für die Artbestimmung von Bedeutung ist (Abbildung 6).
In der vorliegenden Probe sieht man neben offenen Gefäßdurchbrechungen auch solche in scalariform.
Die Summe der Beobachtungen der drei Bruchrichtungen ergibt eine starke Einschränkung der möglichen Holzart.
Querbruch - zerstreutporiges Laubholz
Tangentialbruch - große Holzstrahlen (sechs Zellen breit, 60 Zellen hoch)
Radialbruch - offene Gefäßdurchbrechungen und gelegentlich auch solche in scalariform
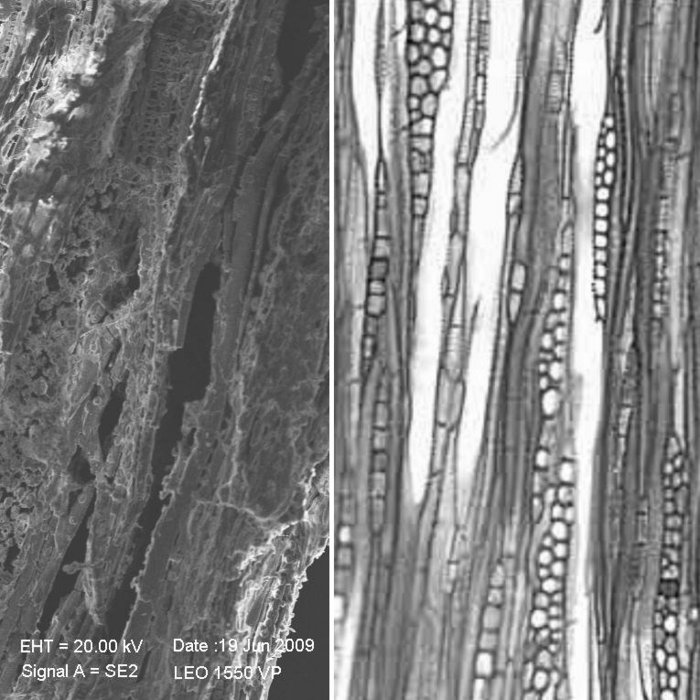
Die Gesamtheit der Merkmale lässt eine Zuordnung der Probe zum Holz der Rotbuche (Fagus sylvatica L.) zu. Die direkte Gegenüberstellung der Auflicht- und Elektronenrastermikroskop -Aufnahmen der mineralisierten Holzprobe zu Vergleichsproben als Durchlichtpräparat zeigt eine große Übereinstimmung (Abbildung 7 bis 9).
Auf dem kurfürstlichen Schwert Rudolfs II. befanden sich demnach auf der eisernen Griffangel Griffschalen aus Rotbuchenholz.
Herzlich bedanken möchten wir uns bei Herrn Schwarzer, der mit viel Geduld die mineralisierte Holzprobe im Elektronenrastermikroskop des Landeskriminalamts Magdeburg untersuchte.
Text: Heiko Breuer
Online-Redaktion: Norma Literski, Anja Lochner-Rechta
Literatur
A. Fischer, Reste von organischen Materialien an Bodenfunden aus Metall: Identifizierung und Erhaltung für die archäologische Forschung. Institut für Museumskunde (Stuttgart 1997).
F. H. Schweingruber, Mikroskopische Holzanatomie:Formenspektren mitteleuropäischer Stamm- und Zweighölzer zur Bestimmung von rezentem und subfossilem Material. Eidgenössische Forschungsanstalt (Birmensdorf 1990).








